看國外頻率元件制造商單晶體的晶體振蕩器電路是怎樣的
來源:http://www.ytxiaoping.cn 作者:金洛鑫電子 2018年09月27
大多數現代石英晶體振蕩器電路屬于兩種設計類別之一,Colpitts/Clapp振蕩器和Pierce振蕩器。還有其他類型的單身晶體管振蕩器(例如Hartley和Butler),但它們的用處和申請超出了本討論的范圍。對于振蕩的電子電路,必須滿足兩個標準。它必須包含一個具有足夠增益的放大器,以克服反饋的損失網絡(在這種情況下是石英晶體)和整個電路周圍的相移是0o要么是360o的某個整數倍。要設計一個晶體振蕩器,上面必須是真的,但是有許多其他考慮因素,包括晶體功耗,不需要的模式抑制,晶體負載(晶體看到的實際阻抗一次振蕩已經開始)并且在增益中引入非線性以限制振蕩積聚。
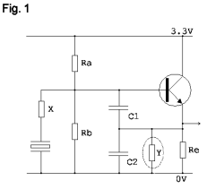
考慮一下圖1中Colpitts/Clapp振蕩器的簡單電路。如果沒有正確的仿真工具,這個電路就不會立即顯現出來振蕩頻率下的負電阻(必須超過晶體等效串聯電阻),初始增益超過1(允許振蕩器啟動)一旦振蕩開始,它就會下降到統一,然后穩定下來通過晶體管的基極發射極結或晶體管的電壓限制收集器當前饑餓。對于AT切割晶體這個電路,仔細選擇可以使元件值振蕩完全控制,大約1MHz至200MHz以上超過晶體驅動水平和晶體負載阻抗。對于穩定的低噪聲有源晶振的選擇晶體管是至關重要的。理想情況下它會很高頻率,低噪聲晶體管,內部低電容(建議使用~1至5 GHz的Ft)。

對于中/高頻石英晶振,嘗試BFS17或BFR92。對于低頻振蕩器2N2369A或BSV52運作良好。不建議使用BC107型晶體管。標記為X的組件是電抗(電容器和/或電感器)以匹配振蕩器負載電容與所選晶振的電容(系列,20pF,30pF等)標記為Y的成分僅用于泛音晶體。它通常是串聯的電感器用電容器。它的目的是使C2在你想要的頻率上看起來具有感應性在選定的工作泛音頻率下抑制但仍然看起來是電容性的。
Colpitts和Clapp振蕩器是相同設計的變體。在圖1中Colpitts變體不使用分量X來調整頻率,而是僅僅依賴于水箱C1和C2。系列組件X的添加改變了Colpitts振蕩器成為Clapp振蕩器。Clapp變體首選更改值/C1和C2的比例將改變振蕩器特性并可能產生不利影響振蕩器。
圖2是在各種頻率下進行工作的典型起始值表振蕩器使用BFS17晶體管。已選擇石英晶體負載電容大約20pF,并選擇了晶體功耗大約100μW。所有值都需要優化以適合實際選擇晶體,所選擇的晶體管和所需的振蕩器性能(相位噪聲,短路術語穩定性,輸出電壓電平,晶體驅動電平,晶體負載阻抗等)。

Freq,ESR,C0是所選晶體的功能。
Ra,Rb,Re,C1,C2,X是所選擇的電路值。
NegR,Gain是晶體在振蕩開始之前看到的初始條件。
Vout是振蕩時晶體管發射極的預期pk/pk電壓穩定。
Colpitts/Clapp振蕩器的輸出通常取自晶體管發射器,電路中的最低阻抗點。必須非常小心如何加載此點以便不反映回振蕩器環路并產生不利影響振蕩器的性能。晶體管發射極上的波形不是正弦波而是一個小的圓形“方波”,通常為0.3V/1Vpk/pk和15%/30%的占空比周期。這是因為循環正弦振蕩器電流在周圍流動晶體,X,C1,C2環路與晶體管在每個周期提供一個“瞬間”電流彌補晶體,X,C1,C2環路中的電阻損耗。
不建議從晶體管的基極或跨越電壓這些晶體在非常高的Q電路中是高阻抗點。微小的變化加載電路對振蕩器有很大的(可能是災難性的)影響性能。圖3中的皮爾斯振蕩器類似于Colpitts /圖1中的Clapp振蕩器除了晶體不能以地為參照。它可以從大約振蕩1MHz至200MHz以上,采用AT切割晶體但具有更容易使用的附加優勢低頻(32kHz)音叉式晶體。

圖4是各種典型起始值的表制作工作振蕩器的頻率。與Colpitts/Clapp振蕩器的晶體負載一樣電容選擇為約20pF,Rakon晶振009年7月并且晶體功耗選擇為約100μW。再次所有值都需要優化以適應所選擇的實際晶體晶體管和所需的振蕩器性能。組件X和Y的功能按照Colpitts/Clapp振蕩器。

Freq,ESR,C0是所選晶體的功能。
Ra,Rb,Re,C1,C2,X是所選擇的電路值。
NegR,Gain是晶體在振蕩開始之前看到的初始條件。
Vout是振蕩時晶體管發射極的預期pk/pk電壓穩定。
對于皮爾斯振蕩器,通常采用輸出來自晶體管集電極但負載限制并且波形形狀仍然是Colpitts/Clapp振蕩器。
如果石英水晶振蕩子需要調諧,那么這就是通過改變由此看到的電抗負載來實現水晶。在上面的兩個設計中(圖1和圖3)無功負載大約是C1,C2和X串聯。電容器C1和C2在設置電容器中起主要作用初始增益,負電阻和晶體驅動電平所以應該只用于調整振蕩器頻率如果他們的影響完全被理解和接受。

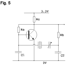
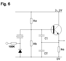
調整的更好選擇是使用電抗X.這電抗不需要是單個組件,它可以是電容器,電感器和電阻器的組合如果它們提供所需的總電抗感興趣的頻率。用于機械調校,部分電抗X可以是可變電容,如圖所示圖5,或者對于電壓調諧,它可以是變容二極管二極管,如圖6所示。

考慮一下圖1中Colpitts/Clapp振蕩器的簡單電路。如果沒有正確的仿真工具,這個電路就不會立即顯現出來振蕩頻率下的負電阻(必須超過晶體等效串聯電阻),初始增益超過1(允許振蕩器啟動)一旦振蕩開始,它就會下降到統一,然后穩定下來通過晶體管的基極發射極結或晶體管的電壓限制收集器當前饑餓。對于AT切割晶體這個電路,仔細選擇可以使元件值振蕩完全控制,大約1MHz至200MHz以上超過晶體驅動水平和晶體負載阻抗。對于穩定的低噪聲有源晶振的選擇晶體管是至關重要的。理想情況下它會很高頻率,低噪聲晶體管,內部低電容(建議使用~1至5 GHz的Ft)。

對于中/高頻石英晶振,嘗試BFS17或BFR92。對于低頻振蕩器2N2369A或BSV52運作良好。不建議使用BC107型晶體管。標記為X的組件是電抗(電容器和/或電感器)以匹配振蕩器負載電容與所選晶振的電容(系列,20pF,30pF等)標記為Y的成分僅用于泛音晶體。它通常是串聯的電感器用電容器。它的目的是使C2在你想要的頻率上看起來具有感應性在選定的工作泛音頻率下抑制但仍然看起來是電容性的。
Colpitts和Clapp振蕩器是相同設計的變體。在圖1中Colpitts變體不使用分量X來調整頻率,而是僅僅依賴于水箱C1和C2。系列組件X的添加改變了Colpitts振蕩器成為Clapp振蕩器。Clapp變體首選更改值/C1和C2的比例將改變振蕩器特性并可能產生不利影響振蕩器。
圖2是在各種頻率下進行工作的典型起始值表振蕩器使用BFS17晶體管。已選擇石英晶體負載電容大約20pF,并選擇了晶體功耗大約100μW。所有值都需要優化以適合實際選擇晶體,所選擇的晶體管和所需的振蕩器性能(相位噪聲,短路術語穩定性,輸出電壓電平,晶體驅動電平,晶體負載阻抗等)。

Freq,ESR,C0是所選晶體的功能。
Ra,Rb,Re,C1,C2,X是所選擇的電路值。
NegR,Gain是晶體在振蕩開始之前看到的初始條件。
Vout是振蕩時晶體管發射極的預期pk/pk電壓穩定。
Colpitts/Clapp振蕩器的輸出通常取自晶體管發射器,電路中的最低阻抗點。必須非常小心如何加載此點以便不反映回振蕩器環路并產生不利影響振蕩器的性能。晶體管發射極上的波形不是正弦波而是一個小的圓形“方波”,通常為0.3V/1Vpk/pk和15%/30%的占空比周期。這是因為循環正弦振蕩器電流在周圍流動晶體,X,C1,C2環路與晶體管在每個周期提供一個“瞬間”電流彌補晶體,X,C1,C2環路中的電阻損耗。
不建議從晶體管的基極或跨越電壓這些晶體在非常高的Q電路中是高阻抗點。微小的變化加載電路對振蕩器有很大的(可能是災難性的)影響性能。圖3中的皮爾斯振蕩器類似于Colpitts /圖1中的Clapp振蕩器除了晶體不能以地為參照。它可以從大約振蕩1MHz至200MHz以上,采用AT切割晶體但具有更容易使用的附加優勢低頻(32kHz)音叉式晶體。

圖4是各種典型起始值的表制作工作振蕩器的頻率。與Colpitts/Clapp振蕩器的晶體負載一樣電容選擇為約20pF,Rakon晶振009年7月并且晶體功耗選擇為約100μW。再次所有值都需要優化以適應所選擇的實際晶體晶體管和所需的振蕩器性能。組件X和Y的功能按照Colpitts/Clapp振蕩器。

Freq,ESR,C0是所選晶體的功能。
Ra,Rb,Re,C1,C2,X是所選擇的電路值。
NegR,Gain是晶體在振蕩開始之前看到的初始條件。
Vout是振蕩時晶體管發射極的預期pk/pk電壓穩定。
對于皮爾斯振蕩器,通常采用輸出來自晶體管集電極但負載限制并且波形形狀仍然是Colpitts/Clapp振蕩器。
如果石英水晶振蕩子需要調諧,那么這就是通過改變由此看到的電抗負載來實現水晶。在上面的兩個設計中(圖1和圖3)無功負載大約是C1,C2和X串聯。電容器C1和C2在設置電容器中起主要作用初始增益,負電阻和晶體驅動電平所以應該只用于調整振蕩器頻率如果他們的影響完全被理解和接受。

調整的更好選擇是使用電抗X.這電抗不需要是單個組件,它可以是電容器,電感器和電阻器的組合如果它們提供所需的總電抗感興趣的頻率。用于機械調校,部分電抗X可以是可變電容,如圖所示圖5,或者對于電壓調諧,它可以是變容二極管二極管,如圖6所示。

正在載入評論數據...
相關資訊
- [2025-08-29]CTS致力于成為技術的前沿提供創...
- [2025-08-29]Diodes宣布推出一款智能48通道L...
- [2025-08-25]Rakon瑞康為什么應該放棄標準CO...
- [2025-08-25]Transko特蘭斯科推出了結合MEMS...
- [2025-08-23]SiT5503超精密溫度補償晶體振蕩...
- [2025-08-23]探索SiTime專為導航航空航天和國...
- [2024-04-11]CTECH濾波器型號數據列表CLB75P...
- [2024-03-18]Statek晶振產品應用CX20SCSM1-1...


業務經理
客服經理