實時時鐘連接32.768K晶體布局技術
來源:http://www.ytxiaoping.cn 作者:金洛鑫電子 2019年08月26
RTC是Real-Time Clock的英文縮寫,其中文名字叫做實時時鐘,是一種電子產品主板上晶振和其他相關的電路組成的時鐘電路脈沖,它的功能與一般晶體比較相似,都是提供精準穩定的時鐘信號.不同的是石英晶體可以利用自身的頻率振蕩,驅動其他電子元件機械工作,而實時時鐘則需要通過32.768K才可以實現.RTC中使用的振蕩器是皮爾斯型振蕩器的CMOS反相器變體.圖1顯示了一般配置.這些RTC包括集成負載電容(CL1和CL2)和偏置電阻.皮爾斯振蕩器利用以并聯諧振模式工作的晶體.并聯諧振模式中使用的晶體被指定為具有特定負載電容的特定頻率.為使振蕩器以正確的頻率運行,振蕩器電路必須使用正確的容性負載加載晶振.
準確性
基于晶體的振蕩器電路的頻率精度主要取決于晶體的精度和晶體與振蕩器電容性負載之間匹配的精度.如果容性負載小于晶體設計的容量,則振蕩器運行速度很快.如果容性負載大于晶體設計的容量,則振蕩器運行緩慢.除了晶體和負載匹配的誤差之外,隨著環境溫度的變化,晶體的基頻也會發生變化.RTC使用晶體音叉晶振,它在溫度范圍內出現誤差,如圖2所示.誤差為20ppm相當于每月約1分鐘.

圖2.晶體頻率與溫度的關系.
注意:如果需要更高的精度,可以使用諸如DS32kHz的TCXO.
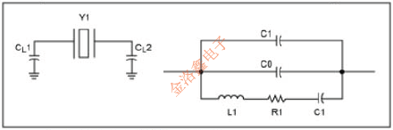
水晶參數
圖3顯示了晶體的等效電路.在諧振頻率附近,電路由包括運動電感L1,運動電阻R1和運動電容C1的串聯電路組成.并聯分量CO是晶體的并聯電容. 負載電容CL是從晶體的引腳看到的振蕩電路的容性負載.圖4顯示了CL作為與晶體平行的電容.振蕩器電路中使用的負載電容CL1和CL2加上電路中的任何雜散電容組合在一起,形成總負載電容.所有RTC均集成了CL1和CL2電容.應注意盡量減少印刷電路板(PCB)布局中的雜散電容.以下公式顯示了CL和負載電容值之間的關系:
CL=[(CL1×CL2)/(CL1+CL2)+C STRAY]

圖4.晶體負載電容和等效并聯負載.
大多數晶體允許的最大驅動電平為1μW.所有RTC均低于1μW.可以使用以下公式確定驅動器級別:
P=2R1×[π×32,768(CÒ+C大號)VRMS]²
其中VRMS是晶體兩端電壓的RMS值.
振蕩器啟動時間
振蕩器啟動時間高度依賴于晶體特性,PCB泄漏和布局.高ESR和過大的容性負載是啟動時間長的主要原因.使用具有推薦特性和適當布局的晶體的電路通常在一秒鐘內開始.
能量消耗
許多RTC設計為使用電池供電.在典型應用中,當主電源關閉時,可以使用小型鋰電池來運行Oscillator和時鐘電路.為了最大限度地延長電池壽命,振蕩器必須使用盡可能少的電源運行.要做到這一點,必須進行一些設計權衡.
負阻力
對于典型的高頻振蕩器電路,電路的設計通常具有5倍或10倍的ESR余量.低頻晶體通常具有更高的ESR.RTC振蕩器的負電阻可能小于2倍.具有低裕度的振蕩器電路通常消耗較少的電流.結果,RTC振蕩器通常對相對少量的雜散泄漏,噪聲或ESR的增加敏感.振蕩器電路的CL影響功耗.具有12.5pF內部負載的RTC比具有6pF負載的RTC消耗更多功率.但是,具有12.5pF負載電容的振蕩器通常不易受噪聲影響.
水晶布局指南
由于馬克西姆的RTC的晶體輸入具有非常高的阻抗(約109Ω),引線到晶體動作等非常良好的天線,從所述系統的其余部分耦合的高頻信號.如果信號耦合到晶體引腳上,它可以抵消或添加脈沖.由于電路板上的大多數信號頻率遠高于32.768K晶振,因此更有可能在不需要的情況下添加脈沖.這些噪聲脈沖被計為額外時鐘“滴答”并使時鐘看起來運行得很快.
以下步驟說明了如何確定噪聲是否導致RTC快速運行:
1.啟動系統并將RTC與已知的精確時鐘同步.
2.關閉系統電源.
3.等一段時間(兩小時,24小時等).時間越長,測量時鐘精度就越容易.
4.再次打開系統,讀取時鐘,并與已知的準確時鐘進行比較.
5.將RTC重新同步到已知的準確時鐘.
6.保持系統通電并等待一段時間等于步驟3中的時間段.
7.等待上述時間后讀取時鐘并將其與已知的準確時鐘進行比較.
通過使用上述步驟,可以在系統通電時和系統斷電時確定時鐘的準確性.如果在系統上電時時鐘被證明是不準確的,但在系統斷電時是準確的,則問題很可能是由系統中其他信號產生的噪聲引起的.但是,如果時鐘在系統上電和斷電時都不準確,那么問題不在于系統的噪音.由于可以將噪聲耦合到晶體引腳上,因此在將外部晶體放置在PCB布局上時必須小心.遵循一些關于PCB布局上晶體放置的基本布局指南非常重要,以確保額外的時鐘節拍不會耦合到晶體引腳上.
1.將晶體盡可能靠近X1和X2引腳放置非常重要.通過減小天線的長度,保持石英水晶振子和RTC之間的走線長度盡可能小,可以降低噪聲耦合的可能性.保持走線長度小也會減少雜散電容的數量.
2.保持X1和X2引腳上的晶體鍵合焊盤和走線寬度盡可能小.這些鍵合焊盤和跡線越大,噪聲越可能從相鄰信號耦合.
3.如果可能,在晶體周圍放置一個保護環(接地).這有助于將晶體與相鄰信號耦合的噪聲隔離開來.有關在晶體周圍使用保護環的說明,請參見圖2.
4.盡量確保其他PCB層上沒有信號直接在晶體下方或X1和X2引腳的走線下方.晶體與電路板上的其他信號隔離得越多,噪聲耦合到晶體的可能性就越小.任何數字信號與連接到X1或X2的任何跡線之間應至少有0.200英寸.RTC應與產生電磁輻射(EMR)的任何組件隔離.這適用于離散和模塊類型的RTC.
5.將局部接地平面放置在晶體正下方的PCB層上也可能有所幫助.這有助于將晶體與其他PCB層上的信號的噪聲耦合隔離.注意,接地平面只需要在晶體附近,而不是在整個電路板上.有關局部地平面的圖示,請參見圖5.注意,接地平面的周長不需要大于保護環的外周長.
請注意,由于它引入的雜散電容,必須注意使用本地接地層.跡線/焊盤和接地平面之間的電容被添加到內部負載電容器(CL1和CL2).因此,在考慮添加局部地平面時必須考慮一些因素.例如,由接地平面引起的電容可以通過以下等式近似:
C=εA/t,其中
ε=PCB的介電常數
A=跡線/焊盤的面積
t=PCB層的厚度
因此,為了確定接地平面是否適合于給定的設計,必須考慮上述參數以確保來自本地接地平面的電容不足夠大以減慢時鐘. 檢查振蕩
設計人員在檢查振蕩器操作時的第一個沖動通常是將示波器探頭連接到振蕩器輸入(X1)或輸出(X2)引腳.使用實時時鐘時,建議不要這樣做.由于振蕩器設計為以低功率運行(這延長了電池的工作時間),因此使用示波器探頭加載振蕩器可能會使振蕩器停止工作.如果振蕩器沒有停止,則額外的負載會降低信號幅度,并可能導致不穩定的操作,例如變化幅度.因此應該間接驗證振蕩.
可以通過多種方式驗證振蕩.一種方法是多次讀取秒寄存器,查找要遞增的數據.在具有振蕩器停止標志(OSF)的RTC上,清零然后監視該位可驗證振蕩器是否已啟動并持續運行.如果設計人員對設計進行故障排除并且無法與RTC通信,則這些方法不起作用.另一種方法是檢查具有方波輸出的RTC上的方波輸出.檢查數據手冊以驗證是否必須先寫入RTC以啟用石英晶體振蕩器和方波輸出.請注意,大多數RTC方波輸出都是漏極開路,需要一個上拉電阻才能工作.方波輸出也可用于驗證RTC的精度,但必須使用具有足夠精度的頻率計數器.
快速時鐘
以下是導致基于晶振的RTC快速運行的最常見方案.
1.噪聲從相鄰信號耦合到晶體中.上面已經廣泛地討論了這個問題.噪聲耦合通常會導致RTC嚴重不準確.
2.錯誤的水晶.如果使用具有指定負載電容(CL)大于RTC指定負載電容的晶體,則RTC通常會快速運行.不準確性的嚴重程度取決于CL的值.例如,在設計為6pFCL的RTC上使用CL為12pF的晶體導致RTC每月快速約3至4分鐘.
慢時鐘
以下是導致基于晶振的RTC運行緩慢的最常見方案.
1.RTC輸入引腳上的過沖.通過周期性地停止振蕩器可以使RTC運行緩慢.這可能是由于到RTC的噪聲輸入信號而無意中完成的.如果輸入信號上升到大于VDD以上的二極管壓降(~0.3V)的電壓,則輸入引腳的ESD保護二極管將正向偏置,從而使基板充滿電流.這反過來會使晶振停止,直到輸入信號電壓降至低于VDD以上的二極管壓降.
如果輸入信號有噪聲,這種機制可能導致振蕩器頻繁停止.因此,應注意確保輸入信號沒有過沖.過沖問題常見的另一種情況是當RTC處于電池備份模式時,RTC的輸入為5V.在系統地關閉某些電路但保持其他電路通電的系統中,這可能是一個問題.在設備處于電池備份模式時,確保RTC沒有輸入信號大于電池電壓非常重要(除非器件數據手冊中另有說明).
2.錯誤的水晶.如果具有指定CL的晶體小于RTC的CL,則RTC通常運行緩慢.不準確性的嚴重程度取決于CL的值.
3.雜散電容.晶體引腳和/或地之間的雜散電容會降低RTC的速度.因此,在設計PCB布局時必須小心,以確保雜散電容保持最小.
4.溫度.工作溫度越遠離晶體轉換溫度,晶體振蕩越慢.見圖3和4.
時鐘不運行
以下是導致RTC無法運行的最常見方案.
1.時鐘未運行時最常見的一個問題是時鐘停止(CH)或使能振蕩器(EOSC)位尚未根據需要置1或清零.許多RTC都包含一個電路,可以在首次上電時防止振蕩器運行.這允許系統等待裝運到客戶,而不從備用電池獲取電力.當系統首次通電時,軟件/固件必須啟用振蕩器并提示用戶輸入正確的時間和日期.
2.貼片晶振可能有一些NC(無連接)引腳.確保晶體上的正確引腳連接到X1和X2引腳.
水晶制造問題
調諧叉晶體不應暴露于超聲波清洗.它們易受共振引起的損壞.晶體不應暴露在高于其最大額定值的溫度下.暴露在過高的溫度下可能會損壞晶體,通常會增加ESR.晶體“罐”不應焊接到PCB上.有時這是為了研究晶體的情況.直接焊接到晶體的情況通常會使裝置承受過高的溫度.RTC通常應用于非冷凝環境.振蕩器導體周圍的水分形成會導致泄漏,這可能導致振蕩器停止.保形涂層可用于保護電路,然而,保形涂層本身可能引起問題.
一些保形涂層,尤其是基于環氧樹脂的材料,可能具有不可接受水平的離子污染.此外,如果PC板表面在保形涂層之前沒有充分清潔,則保形涂層會導致污染物集中在引線和跡線周圍.焊劑殘留物會導致引腳之間的泄漏.RTC振蕩器電路由于其低功率操作而對泄漏特別敏感.振蕩器輸入和輸出之間的泄漏或泄漏到地,通常會使振蕩器無法運行.
基于晶體的振蕩器電路的頻率精度主要取決于晶體的精度和晶體與振蕩器電容性負載之間匹配的精度.如果容性負載小于晶體設計的容量,則振蕩器運行速度很快.如果容性負載大于晶體設計的容量,則振蕩器運行緩慢.除了晶體和負載匹配的誤差之外,隨著環境溫度的變化,晶體的基頻也會發生變化.RTC使用晶體音叉晶振,它在溫度范圍內出現誤差,如圖2所示.誤差為20ppm相當于每月約1分鐘.

圖2.晶體頻率與溫度的關系.
水晶參數
圖3顯示了晶體的等效電路.在諧振頻率附近,電路由包括運動電感L1,運動電阻R1和運動電容C1的串聯電路組成.并聯分量CO是晶體的并聯電容. 負載電容CL是從晶體的引腳看到的振蕩電路的容性負載.圖4顯示了CL作為與晶體平行的電容.振蕩器電路中使用的負載電容CL1和CL2加上電路中的任何雜散電容組合在一起,形成總負載電容.所有RTC均集成了CL1和CL2電容.應注意盡量減少印刷電路板(PCB)布局中的雜散電容.以下公式顯示了CL和負載電容值之間的關系:
CL=[(CL1×CL2)/(CL1+CL2)+C STRAY]

圖4.晶體負載電容和等效并聯負載.
P=2R1×[π×32,768(CÒ+C大號)VRMS]²
其中VRMS是晶體兩端電壓的RMS值.
振蕩器啟動時間
振蕩器啟動時間高度依賴于晶體特性,PCB泄漏和布局.高ESR和過大的容性負載是啟動時間長的主要原因.使用具有推薦特性和適當布局的晶體的電路通常在一秒鐘內開始.
能量消耗
許多RTC設計為使用電池供電.在典型應用中,當主電源關閉時,可以使用小型鋰電池來運行Oscillator和時鐘電路.為了最大限度地延長電池壽命,振蕩器必須使用盡可能少的電源運行.要做到這一點,必須進行一些設計權衡.
負阻力
對于典型的高頻振蕩器電路,電路的設計通常具有5倍或10倍的ESR余量.低頻晶體通常具有更高的ESR.RTC振蕩器的負電阻可能小于2倍.具有低裕度的振蕩器電路通常消耗較少的電流.結果,RTC振蕩器通常對相對少量的雜散泄漏,噪聲或ESR的增加敏感.振蕩器電路的CL影響功耗.具有12.5pF內部負載的RTC比具有6pF負載的RTC消耗更多功率.但是,具有12.5pF負載電容的振蕩器通常不易受噪聲影響.
水晶布局指南
由于馬克西姆的RTC的晶體輸入具有非常高的阻抗(約109Ω),引線到晶體動作等非常良好的天線,從所述系統的其余部分耦合的高頻信號.如果信號耦合到晶體引腳上,它可以抵消或添加脈沖.由于電路板上的大多數信號頻率遠高于32.768K晶振,因此更有可能在不需要的情況下添加脈沖.這些噪聲脈沖被計為額外時鐘“滴答”并使時鐘看起來運行得很快.
以下步驟說明了如何確定噪聲是否導致RTC快速運行:
1.啟動系統并將RTC與已知的精確時鐘同步.
2.關閉系統電源.
3.等一段時間(兩小時,24小時等).時間越長,測量時鐘精度就越容易.
4.再次打開系統,讀取時鐘,并與已知的準確時鐘進行比較.
5.將RTC重新同步到已知的準確時鐘.
6.保持系統通電并等待一段時間等于步驟3中的時間段.
7.等待上述時間后讀取時鐘并將其與已知的準確時鐘進行比較.
通過使用上述步驟,可以在系統通電時和系統斷電時確定時鐘的準確性.如果在系統上電時時鐘被證明是不準確的,但在系統斷電時是準確的,則問題很可能是由系統中其他信號產生的噪聲引起的.但是,如果時鐘在系統上電和斷電時都不準確,那么問題不在于系統的噪音.由于可以將噪聲耦合到晶體引腳上,因此在將外部晶體放置在PCB布局上時必須小心.遵循一些關于PCB布局上晶體放置的基本布局指南非常重要,以確保額外的時鐘節拍不會耦合到晶體引腳上.
1.將晶體盡可能靠近X1和X2引腳放置非常重要.通過減小天線的長度,保持石英水晶振子和RTC之間的走線長度盡可能小,可以降低噪聲耦合的可能性.保持走線長度小也會減少雜散電容的數量.
2.保持X1和X2引腳上的晶體鍵合焊盤和走線寬度盡可能小.這些鍵合焊盤和跡線越大,噪聲越可能從相鄰信號耦合.
3.如果可能,在晶體周圍放置一個保護環(接地).這有助于將晶體與相鄰信號耦合的噪聲隔離開來.有關在晶體周圍使用保護環的說明,請參見圖2.
4.盡量確保其他PCB層上沒有信號直接在晶體下方或X1和X2引腳的走線下方.晶體與電路板上的其他信號隔離得越多,噪聲耦合到晶體的可能性就越小.任何數字信號與連接到X1或X2的任何跡線之間應至少有0.200英寸.RTC應與產生電磁輻射(EMR)的任何組件隔離.這適用于離散和模塊類型的RTC.
5.將局部接地平面放置在晶體正下方的PCB層上也可能有所幫助.這有助于將晶體與其他PCB層上的信號的噪聲耦合隔離.注意,接地平面只需要在晶體附近,而不是在整個電路板上.有關局部地平面的圖示,請參見圖5.注意,接地平面的周長不需要大于保護環的外周長.
請注意,由于它引入的雜散電容,必須注意使用本地接地層.跡線/焊盤和接地平面之間的電容被添加到內部負載電容器(CL1和CL2).因此,在考慮添加局部地平面時必須考慮一些因素.例如,由接地平面引起的電容可以通過以下等式近似:
C=εA/t,其中
ε=PCB的介電常數
A=跡線/焊盤的面積
t=PCB層的厚度
因此,為了確定接地平面是否適合于給定的設計,必須考慮上述參數以確保來自本地接地平面的電容不足夠大以減慢時鐘. 檢查振蕩
設計人員在檢查振蕩器操作時的第一個沖動通常是將示波器探頭連接到振蕩器輸入(X1)或輸出(X2)引腳.使用實時時鐘時,建議不要這樣做.由于振蕩器設計為以低功率運行(這延長了電池的工作時間),因此使用示波器探頭加載振蕩器可能會使振蕩器停止工作.如果振蕩器沒有停止,則額外的負載會降低信號幅度,并可能導致不穩定的操作,例如變化幅度.因此應該間接驗證振蕩.
可以通過多種方式驗證振蕩.一種方法是多次讀取秒寄存器,查找要遞增的數據.在具有振蕩器停止標志(OSF)的RTC上,清零然后監視該位可驗證振蕩器是否已啟動并持續運行.如果設計人員對設計進行故障排除并且無法與RTC通信,則這些方法不起作用.另一種方法是檢查具有方波輸出的RTC上的方波輸出.檢查數據手冊以驗證是否必須先寫入RTC以啟用石英晶體振蕩器和方波輸出.請注意,大多數RTC方波輸出都是漏極開路,需要一個上拉電阻才能工作.方波輸出也可用于驗證RTC的精度,但必須使用具有足夠精度的頻率計數器.
快速時鐘
以下是導致基于晶振的RTC快速運行的最常見方案.
1.噪聲從相鄰信號耦合到晶體中.上面已經廣泛地討論了這個問題.噪聲耦合通常會導致RTC嚴重不準確.
2.錯誤的水晶.如果使用具有指定負載電容(CL)大于RTC指定負載電容的晶體,則RTC通常會快速運行.不準確性的嚴重程度取決于CL的值.例如,在設計為6pFCL的RTC上使用CL為12pF的晶體導致RTC每月快速約3至4分鐘.
慢時鐘
以下是導致基于晶振的RTC運行緩慢的最常見方案.
1.RTC輸入引腳上的過沖.通過周期性地停止振蕩器可以使RTC運行緩慢.這可能是由于到RTC的噪聲輸入信號而無意中完成的.如果輸入信號上升到大于VDD以上的二極管壓降(~0.3V)的電壓,則輸入引腳的ESD保護二極管將正向偏置,從而使基板充滿電流.這反過來會使晶振停止,直到輸入信號電壓降至低于VDD以上的二極管壓降.
如果輸入信號有噪聲,這種機制可能導致振蕩器頻繁停止.因此,應注意確保輸入信號沒有過沖.過沖問題常見的另一種情況是當RTC處于電池備份模式時,RTC的輸入為5V.在系統地關閉某些電路但保持其他電路通電的系統中,這可能是一個問題.在設備處于電池備份模式時,確保RTC沒有輸入信號大于電池電壓非常重要(除非器件數據手冊中另有說明).
2.錯誤的水晶.如果具有指定CL的晶體小于RTC的CL,則RTC通常運行緩慢.不準確性的嚴重程度取決于CL的值.
3.雜散電容.晶體引腳和/或地之間的雜散電容會降低RTC的速度.因此,在設計PCB布局時必須小心,以確保雜散電容保持最小.
4.溫度.工作溫度越遠離晶體轉換溫度,晶體振蕩越慢.見圖3和4.
時鐘不運行
以下是導致RTC無法運行的最常見方案.
1.時鐘未運行時最常見的一個問題是時鐘停止(CH)或使能振蕩器(EOSC)位尚未根據需要置1或清零.許多RTC都包含一個電路,可以在首次上電時防止振蕩器運行.這允許系統等待裝運到客戶,而不從備用電池獲取電力.當系統首次通電時,軟件/固件必須啟用振蕩器并提示用戶輸入正確的時間和日期.
2.貼片晶振可能有一些NC(無連接)引腳.確保晶體上的正確引腳連接到X1和X2引腳.
水晶制造問題
調諧叉晶體不應暴露于超聲波清洗.它們易受共振引起的損壞.晶體不應暴露在高于其最大額定值的溫度下.暴露在過高的溫度下可能會損壞晶體,通常會增加ESR.晶體“罐”不應焊接到PCB上.有時這是為了研究晶體的情況.直接焊接到晶體的情況通常會使裝置承受過高的溫度.RTC通常應用于非冷凝環境.振蕩器導體周圍的水分形成會導致泄漏,這可能導致振蕩器停止.保形涂層可用于保護電路,然而,保形涂層本身可能引起問題.
一些保形涂層,尤其是基于環氧樹脂的材料,可能具有不可接受水平的離子污染.此外,如果PC板表面在保形涂層之前沒有充分清潔,則保形涂層會導致污染物集中在引線和跡線周圍.焊劑殘留物會導致引腳之間的泄漏.RTC振蕩器電路由于其低功率操作而對泄漏特別敏感.振蕩器輸入和輸出之間的泄漏或泄漏到地,通常會使振蕩器無法運行.
正在載入評論數據...
相關資訊
- [2025-08-29]CTS致力于成為技術的前沿提供創...
- [2025-08-29]Diodes宣布推出一款智能48通道L...
- [2025-08-25]Rakon瑞康為什么應該放棄標準CO...
- [2025-08-25]Transko特蘭斯科推出了結合MEMS...
- [2025-08-23]SiT5503超精密溫度補償晶體振蕩...
- [2025-08-23]探索SiTime專為導航航空航天和國...
- [2024-04-11]CTECH濾波器型號數據列表CLB75P...
- [2024-03-18]Statek晶振產品應用CX20SCSM1-1...





業務經理
客服經理